products categories
Products Location:Home >> Products
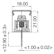
  • LW2MQ-13.0
  • Rated voltage(v):
    600
  • Rated current(A):
    40
  • Wire Size(m㎡):
    18-10
  • Maximum tightening torque(Nm):
    1.2N.m 10.6Lb.in
  • Screw:
    Steel,M4 Ni-Plated
  • Resistant voltage(kv):
    2
  • Housing:
    PA66+23%GF UL 94V-0
  • Terminal:
    Brass,1.0t,Tin-Plated
  • Temp.Range
    -40℃~+105℃
  • Torque:
    500MΩ/DC500V

Products Description:

 

The structure LW Series products is simple, intuitive and secure the connection. The solder pin location and forms are variety, such as the middle position, edge position, double needle position, curved needle and solder wire hole. We provide 6.36, 7.62, 8.25, 9.52, 10.0, 11,0, 13.0 and other pitch. There are optional protective cover styles.

 

Diagram and parameter description: